TOP > バックナンバー > Vol.11 No.1 > 4 先進のディーゼル噴霧・燃焼技術

Vol.11 No.1

4 先進のディーゼル噴霧・燃焼技術
小酒 英範
Hidenori KOSAKA
本誌編集委員、東京工業大学
JSAE ER Editorial Committee / Tokyo Institute of Technology

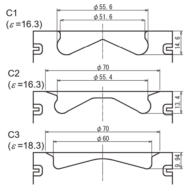
 石山ら(4-1)は、SIP革新的燃焼技術で研究開発され、最大熱効率50%を達成したディーゼル燃焼技術について、その概要と単気筒ディーゼルエンジンを用いた熱効率実証試験の結果について報告した。燃焼期間短縮による等容度化と、これと相反する冷却損失の低減を両立させるための燃焼室形状と燃料噴射条件の最適化の方針が説明され、今回の試験では、ピストンキャビティ径を基準より大きくしキャビティ縁部にテーパーを持たせた燃焼室(図4-1のC2)に、小径燃料噴射ノズル(φ0.114×12噴孔)と高燃料噴射圧力(270MPa)の組み合わせで熱効率が最大化している(図4-2)。ノズル噴孔径については、単に小径化すればよいのではなく、冷損低減と等容度のバランスを考慮し最適化すべきであることが示された。

×
閉じる

 宮下ら(4-2)はディーゼル機関燃焼室内壁面上の熱流束を、クロム薄膜を表面に形成した石英ガラス窓を単気筒エンジンに設置し(図4-3)、クロム薄膜からの赤外放射を高速度赤外線カメラにより撮影することで、二次元計測した結果について報告した。

 図4-4に得られたクロム薄膜からの赤外光画像と、別途撮影した火炎の直接写真の時系列比較を示す。

 図4-5には、熱流束センサによる壁面熱流束計測結果と同手法により得られた壁面熱流束の比較を示す。この結果から、同手法により得られた熱流束は、ピーク値とそれを示す時期については熱流束センサの計測値とほぼ一致しているが、ピーク値を示した後の熱流束の減衰については、熱流束センサの計測結果より小さいことが分かる。この原因としては、可視化に用いた石英ガラスと熱流束センサ本体材料の熱伝導率の違いに起因していると説明している。熱流束の定量計測については解決しなければならない課題を残しているが、熱流束の高速度二次元計測が可能な手法として期待される。

【参考文献】
(4-1) 石山 拓二、川那辺 洋、堀部 直人:乗用車用ディーゼルエンジンの熱効率向上、自動車技術会2020年秋季大会学術講演会講演予稿集、No.20206022
(4-2) 宮下 和也、鈴木 浩高、松本 淳志、香川 景章、山下 健一:高速度赤外線カメラを用いたエンジン筒内熱損失低減移管する研究、自動車技術会2020年秋季大会学術講演会講演予稿集、講演番号20206025