3 EV/EV非接触給電・電池(セッションNo.103)
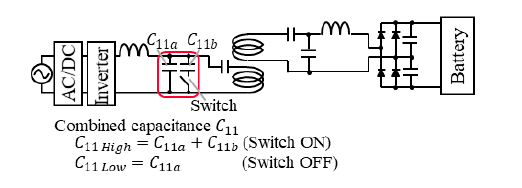
ケーブル・コネクタによらない非接触充電は,利便性と安全性の点で実用化が期待されており,頻繁な充電が脱石油度に有利なPHEV用として特に有効である.規格化が盛んな共振型(図3-1 参照)では,給電効率の低下やシステム各部の過電流を抑止するために,車両側のコイル高さ毎,電力クラス毎に別の受電器を用意する必要があるが,鈴木ら(3-1)は,SAEで定める車高クラスZ2(140~210mm高)の受電器でZ1(100~150mm高)にも対応する方法について検討した.
製品の回路素子のばらつきや,運用時のコイル位置のばらつきを考慮した回路定数による回路パターン群をモンテカルロ法で生成し,それらの充電成功率を求める方法で実用可否を評価した.その結果,Z1高の車両時(高結合係数状態)に送電側のフィルターコンデンサを小容量に切り替える図3-2に示す方法でZ1,Z2の双方に対応できるとしている.国内で普及が期待できる小型車に大きな受電器を搭載することの是非など,要検討課題も多い.
廣田ら(3-2)はPV(太陽電池)の近い将来の高性能化を見越して,PVを搭載した乗用EVの実現可能性とCO2 排出量に及ぼす要件について,開発した計算モデルによって公開済みのデータを基に検討した.日照量は図3-3上部のように季節や天候の影響を大きく受け,グリッドから補うべき電力はこれに加えて走行頻度や走行距離に応じても変化する.
その結果,年間のCO2排出量は図3-4に示す様に最小となる走行距離が存在するが,その値は通勤使用か週末のみ長距離走行かなど使用形態に大きく依存し,搭載電池容量の最適値も使用形態に依存するとしている.種々の指標での評価を試みているが,結果として定地のPVの発電量をグリッド経由で融通して利用する一般的な方法の優位性を後押しする形になっている.(清水)
